Skip to main content

Quick links

Accessories

Category Quick and Hammer lock links

Description

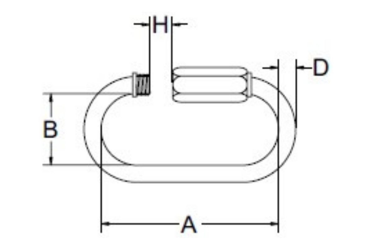
Quick links are used to connect two ends of chain slings or other equipment. Not designed for lifting, they are ideal for light, everyday use. The locking mechanism ensures added safety.

Material
Cold-drawn mild steel - Zinc plated