Skip to main content

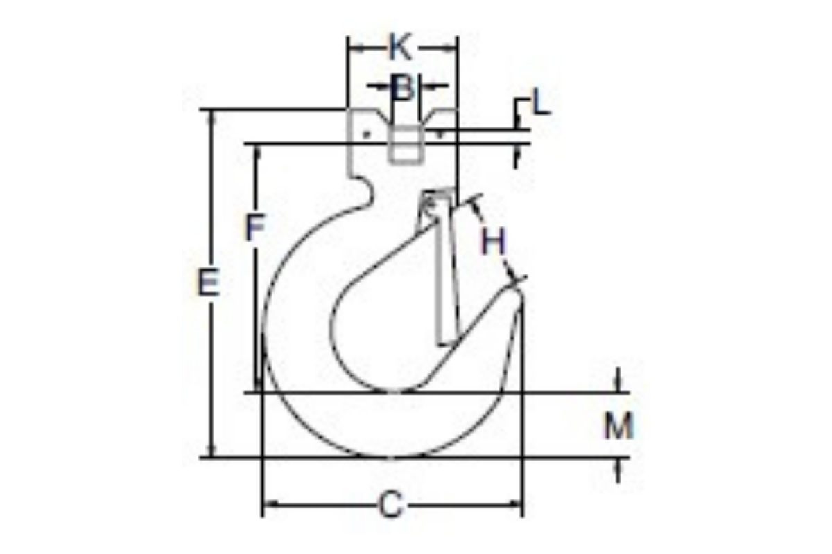
Clevis sling hooks with latch

Accessories

Category Hooks

Description

Clevis sling hooks with latch, in grade 80 and 100, are made for chain slings. The latch prevents load drops, ensuring increased safety. Replacement latches are also available.

Material
Alloy steel, quenched and tempered - Grade 80 and 100